電流繼電器生產廠家簡介-上海上繼科技有限公司
發表時間:2019-07-02 11:05 瀏覽次數:1108 〖返回〗
上海上繼科技有限公司是一家專業從事電力系統繼電保護及智能電網電力自動化產品的研發、設計、生產、銷售和服務為一體的高科技公司。
公司依托國際大都市上海的優越環境,擁有資深繼電保護專家團隊,熟悉中國電網實際運行特點,聯合國內外**高校不斷引進國內外先進技術,積極響應市場的需求,技術不斷創新,堅持行業**地位,主要生產電力繼電器及微機綜合保護裝置,電力智能配電設備,變電站自動化監控系統。產品廣泛用于電力、工礦、鐵路、建筑等國家重大工程輸配變電系統上,產品遠銷東南亞及中東地區。
公司具備國內**的檢測儀器及校驗設備,建立了模擬運行老化系統,以精湛的技術嚴格的生產制造工藝,健全的生產管理體系,精耕細作,精益求精。產品通過國家繼電保護及自動化設備質量監督檢驗中心檢測,獲得ISO-9001:2000國際質量體系認證。
“科技創新,誠信務實”是公司的經營理念,上繼科技以售前技術支持,售后完善服務,在電力系統中樹立了良好的聲譽,深受各大設計院的認可,贏得輸配電成套企業的信賴。

JWL-11集成電路無輔源電流繼電器用于發電機、 變壓器和輸電線的過負荷和短路保護裝置中作為啟動元件。本繼電器為集成電路靜態型繼電器,精度高、功耗小、動作時間快、返回系數高、整定直觀方便、范圍寬,無需提供直流輔助電源可完全替代電磁型電流繼電器。
JWL-11無輔源電流繼電器可替代 DL-10電磁型電流繼電器。JWL-11無輔源電流繼電器采用撥碼開關整定電流值,改變整定值無需校驗,整定范圍寬,有利于用戶壓縮庫存品種。
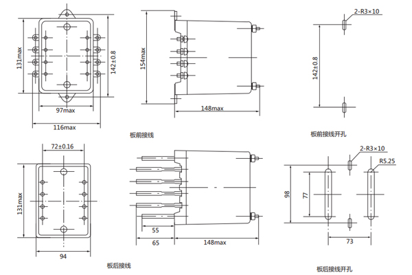
一、JWL-11無輔源電流繼電器的安裝尺寸
JWL-10采用HK-1殼體,如圖所示

二、JWL-11無輔源電流繼電器的接線圖

三、JWL-11無輔源電流繼電器的技術數據
1、功率消耗:交流回路功耗小于1.5VA(交流額定值5A時)。
2、整定誤差
a、整定值在2-99.9A范圍內,整定平均誤差的絕對值不大于3%;
平均誤差=(5次測量平均值-整定值)/整定值×100%。
b、在基準條件下,同一整定值上測量的5次動作值的**值和最小值應不大于的4%。
c、在-10℃~50℃的溫度下,任一整定點誤差的絕對值應不大于整定值的5%。
3、交流額定值:5A,50Hz(可長期接通15A電流)。
4、動作時間: 1.1倍整定值的動作時間不大于40ms;2倍整定值的動作時間不大于35ms。
5、返回系數:0.85-0.95
6、 返回時間:不大于27ms。

DL-11電流繼電器,為電磁式瞬動過電流繼電器,它廣泛用于電力系統二次回路繼電保護裝置線路中,作為過電流啟動元件。
一、DL-11電流繼電器的安裝尺寸

二、DL-11電流繼電器的接線圖

三、DL-11電流繼電器的技術數據
1.**整定值:0.01A
2.整定范圍:0.0025~0.01A
3.動作電流:
a)線圈串聯:0.0025~0.005A
b)線圈并聯:0.005~0.01A
4.功率消耗:不大于7VA
5.觸點數量:動合1個
6.返回系數:不小于0.8
7.動作時間:在1.1倍實測動作值時,動作時間不大于0.12s;在2倍實測動作值時,動作時間不大于0.04s。
8.觸點容量:在電壓不超過250V,電流不超過5A,時間常數為5±0.75ms的直流有感負荷電路中,產品輸出觸點的斷開容量為50W。 輸出觸點在上述規定的負荷條件下,產品能可靠動作及返回5×104次。輸出觸點長期允許接通電流為5A。
9.介質強度:產品各導電端子連在一起,對外露的非帶電金屬部分或外殼之間,能承受2000V(有效值)50Hz的交流電壓歷時1分鐘試驗 而無絕緣擊穿或閃絡現象。
上海上繼科技有限公司是一家專業從事電力系統繼電保護及智能電網電力自動化產品的研發、設計、生產、銷售和服務為一體的高科技公司。本公司擁有優越的地理環境和高超的技術支持,同時厲害不斷引進國內外的先進技術,進行技術創新,主要生產電力繼電器及微機綜合保護裝置,電力智能配電設備,變電站自動化監控系統。產品應用廣泛,銷路不僅遍布國內,還遠銷東南亞及中東地區。并且本公司的產品都是有硬核的質量保障。所以大家請放心購買。
上海上繼科技有限公司(專注電力保護繼電器生產廠家)銷售熱線:021-57233089 QQ:1932551438
{以上內容僅供參考,上海上繼科技有限公司有最終解釋權}
更多繼電器精彩文章——RXSF1雙掉牌信號繼電器的安裝尺寸及原理
- 上一篇:“光伏+建筑”的發展新契機
- 下一篇:電流繼電器生產廠家介紹





