中間繼電器廠家介紹-上海上繼科技有限公司
發表時間:2019-07-05 14:30 瀏覽次數:1096 〖返回〗
上海上繼科技有限公司是一家專業從事電力系統繼電保護及智能電網電力自動化產品的研發、設計、生產、銷售和服務為一體的高科技公司。
公司依托國際大都市上海的優越環境,擁有資深繼電保護專家團隊,熟悉中國電網實際運行特點,聯合國內外**高校不斷引進國內外先進技術,積極響應市場的需求,技術不斷創新,堅持行業**地位,主要生產電力繼電器及微機綜合保護裝置,電力智能配電設備,變電站自動化監控系統。產品廣泛用于電力、工礦、鐵路、建筑等國家重大工程輸配變電系統上,產品遠銷東南亞及中東地區。
公司具備國內**的檢測儀器及校驗設備,建立了模擬運行老化系統,以精湛的技術嚴格的生產制造工藝,健全的生產管理體系,精耕細作,精益求精。產品通過國家繼電保護及自動化設備質量監督檢驗中心檢測,獲得ISO-9001:2000國際質量體系認證。
“科技創新,誠信務實”是公司的經營理念,上繼科技以售前技術支持,售后完善服務,在電力系統中樹立了良好的聲譽,深受各大設計院的認可,贏得輸配電成套企業的信賴。上繼科技本著對社會,對用戶高度的責任感,堅持走專業化道路,繼續創新超越,為我國智能電網電力自動化做出更大的貢獻!

ZJ3-3C/80快速中間繼電器用于電力系統二次回路繼電保護和自動控制線路中,作為增加保護和控制觸點數量和觸點容量。
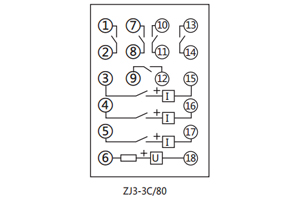
一、ZJ3-3C/80中間繼電器的接線圖

二、ZJ3-3C/80中間繼電器的開孔尺寸

三、ZJ3-3C/80中間繼電器的參數
●額定工作電壓:220V、110V、48V、24V。
●額定工作電流:0.25A、0.5A、lA、2A、4A。
●額定保持電流:0.25A、0.5A、IA、2A、4A。
●動作值:電壓型繼電器的動作電壓為50~70%的額定電壓值;電流型繼電器的動作電流不大于80%額定電流。
●保持值:電壓保持時不大于70%額定電壓;電流保持時不大于80%額定電流。
●返回值:不小于額定值的5%。
●動作時間:不大于7ms。
●功率消耗:不大于8W。
●觸點容量:在電壓不超過250V,電流不超過5A,時間常數為5±0.75ms的直流有感負荷電路中,產品輸出觸點的斷開容量為50W。輸出觸點在上述規定的負荷條件下,產品能可靠動作及返回5×104次。輸出觸點長期允許接通電流為5A。
●介質強度:產品各導電端子連在一起,對外露的非帶電金屬部分或外殼之間,能承受2000V(有效值)50Hz的交流電壓歷時1分鐘試驗而無絕緣擊穿或閃絡現象。

ZJ3-3A快速中間繼電器用于直流操作的各種保護和自動控制線路中,作為出口繼電器或擴大繼電器的控制范圍。
一、ZJ3-3A中間繼電器的參數
●額定電壓:220V、110V、48V、24V。
●額定保持電流:0.25A、0.5A、lA、2A、4A。
●動作值:電壓型繼電器的動作電壓為50~70%的額定電壓值;電流型繼電器的動作電流不大于80%額定電流;(ZJ3-1B、ZJ3-1B用電流動作時,其動作值不大于額定電流)。
●保持值:電壓保持時不大于70%額定電壓;電流保持時不大于80%的額定電流。(ZJ3-1B、ZJ3-1B用電壓保持時,其保持值不大于50%額定電壓)。
●返回值:不小于額定值的5%。
●功率消耗:不大于8W。
●介質強度:產品各導電端子連在一起,對外露的非帶電金屬部分或外殼之間,能承受2000V(有效值)50Hz的交流電壓歷時1分鐘試驗而無絕緣擊穿或閃絡現象。
●觸點容量:在電壓不超過250V,電流不超過5A,時間常數為5±0.75ms的直流有感負荷電路中,產品輸出觸點的斷開容量為50W。輸出觸點在上述規定的負荷條件下,產品能可靠動作及返回5×104次。輸出觸點長期允許接通電流為5A。
二、ZJ3-3A中間繼電器的接線圖

三、ZJ3-3A中間繼電器的開孔尺寸

上海上繼科技有限公司(專注電力保護繼電器生產廠家)銷售熱線:021-57233089 QQ:1932551438
{以上內容僅供參考,上海上繼科技有限公司有最終解釋權}
更多繼電器精彩文章——ZC-23A中間繼電器接線圖及技術數據
- 上一篇:電動機保護裝置生產廠家簡介
- 下一篇:電動機保護裝置生產廠家推薦





