中間繼電器廠家推薦-上海上繼科技有限公司
發表時間:2019-07-05 14:49 瀏覽次數:987 〖返回〗
上海上繼科技有限公司是一家專業從事電力系統繼電保護及智能電網電力自動化產品的研發、設計、生產、銷售和服務為一體的高科技公司。擁有資深繼電保護專家團隊和國內**的檢測儀器及校驗設備。同時還引用國內外先進技術,來進行技術創新。本公司的產品廣泛用于電力、工礦、鐵路、建筑等國家重大工程輸配變電系統上,產品遠銷東南亞及中東地區。產品通過國家繼電保護及自動化設備質量監督檢驗中心檢測,獲得ISO-9001:2000國際質量體系認證。“科技創新,誠信務實”是公司的經營理念,本公司以高超的技術支持和對用戶高度負責的售后服務贏得了輸配電成套企業的信賴,且樹立了良好的信譽。

DZK-934快速中間繼電器用于電力系統二次回路繼電保護和自動控制線路中,用作切換電路和增加保護和控制電路的觸點數量和觸點容量及用于出口跳閘電路。
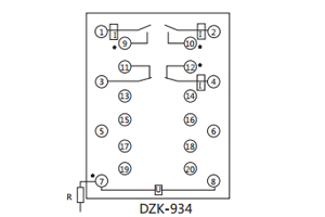
一、DZK-934中間繼電器的接線圖

二、DZK-934中間繼電器的技術數據
●額定工作電壓:DC:220V、110V、48V、24V。
●額定工作電流:DC:0.25A、0.5A、lA、1.5A、2A、4A、8A。
●額定保持電流:DC:0.25A、0.5A、lA、2A、4A、8A。
●額定保持電壓:DC:220V、110V、48V、24V。
●動作值:在周圍環境溫度為20 ±2℃的條件下,電壓型的動作電壓為50%-70%的額定電壓;電流型的動作電流不大于80%額定電流。
●返回值:周圍環境溫度為20±2℃的條件下,返回值不小于5%額定值。
●保持值:在周圍環境溫度為20±2C的條件下
a.具有電流保持繞組的產品,其自保持電流不大于80%額定保持電流值;
b.具有電壓保持繞組的產品,其保持電壓不大于70%額定保持電壓值。
●動作時間:在周圍環境溫度為20 ±2℃的條件下,工作繞組施加激勵量為額定值,D2K-900/8動作時間不大于8ms,DZK-900/4動作時間不大于4ms(四對觸點以上增加0.5ms)。DZK-900/4電流型產品動作時間不大于5ms(四對觸點以上增加0.5ms)。
●返回時間:在周圍互不干涉溫度為20±2℃的條件下,DZK-900/8返回時間不大于5ms,DZK-900/4返回時間不大于2ms。
●功率消耗:不大于10W(包括外附電阻)。
●觸點容量:在電壓不超過250V,電流不超過5A,時間常數為5±0.75ms的直流有感負荷電路中,產品輸出觸點的斷開容量為50W。 輸出觸點在上述規定的負荷條件下,產品能可靠動作及返回5×104次。輸出觸點長期允許接通電流為5A。
●介質強度:產品各導電端子連在一起,對外露的非帶電金屬部分或外殼之間,能承受2000V(有效值)50Hz的交流電壓歷時1分鐘試驗而無絕緣擊穿或閃絡現象。
三、DZK-934中間繼電器的開孔尺寸


DZS-895延時中間繼電器用于各種繼電保護及自動化設備和電力系統二次回路中,作為繼電保護回路和控制回路增加控制對象的數量或擴大控制容量的一種帶延時的輔助繼電器。
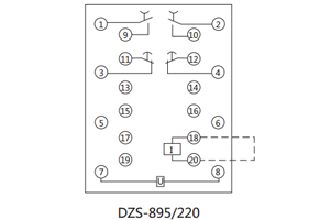
一、DZS-895中間繼電器的接線圖

二、DZS-895中間繼電器的開孔尺寸

三、DZS-895中間繼電器的參數
DZS-895延時中間繼電器主要技術數據見表


DZ-700E/6210中間繼電器主要用于直流操作的各種繼電器保護和自動控制裝置中,用來擴大被控電路數量。
一、DZ-700E/6210中間繼電器的接線圖

二、DZ-700E/6210中間繼電器的開孔尺寸

三、DZ-700E/6210中間繼電器的參數
DZ-700E型中間繼電器主要技術數據見表

注:觸點形式用4位數字代碼表征。例如,6210表示6動合,2動斷,1轉換,無過渡轉換。
上海上繼科技有限公司(專注電力保護繼電器生產廠家)銷售熱線:021-57233089 QQ:1932551438
{以上內容僅供參考,上海上繼科技有限公司有最終解釋權}
更多繼電器精彩文章——JCJ-A沖擊繼電器原理及接線圖
- 上一篇:電動機保護裝置生產廠家推薦
- 下一篇:廠用變保護裝置廠家





