差動繼電器與模數化結構繼電器區別和應用-上海上繼科技有限公司
發表時間:2019-07-30 16:58 瀏覽次數:1030 〖返回〗
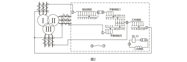
BCH-1差動繼電器具有一個制動繞組,能對兩繞組及三繞組電力變壓器進行單相差動保護。
一、BCH-1差動繼電器的接線圖

二、BCH-1差動繼電器的參數
1.額定定電流5A,額定頻率50Hz。
2 無制動時繼電器的起始動作安匝AWo=60±4。
3.當用于保護三繞組電力變壓器時,其動作電流可在3A至12A的范圍內進行整定(AWo=60) ,對于動作的最小整定值,其**平衡系數接近于2 。
當用于保護兩繞組電力變壓器時,其動作電流可以在1.55A至12A的范圍內進行整定。
4.由動作電流與制動電流的比值所決定的制動系數Kz可以在廣泛的范圍內變化,圖3的制動特性AWp=f(AWz)是其極限范圍,它與工作電流濟口制動電流間的相位角有關,但無論在任何角下都不應越出曲線的范圍。

5.可靠系數(當一次動作電流等于5IDz的繼電器正弦動作電流與當一次動作電流等于5IDZ的正弦動作電流的比值)不小于1.35。
6. 3倍動作電流時差動繼電器的動作時間不大于0.035s。
7.繼電器具有一個動合觸點,在電感性負荷的直流電路中, (其時間常數不大于5x10's) ,且電壓不大于220V,電流不大于2A時,觸點的斷開容量50W。
8.在正常工作狀態下當電流為5A且變流器的制動繞組平衡繞組在全部匝數投入的情況下繼電器的單相功率消耗不大于8.5VA。
9.變流器的工作、平衡和制動繞組可長期通過電流10A。
10.介質強度 繼電器的電路對外露非帶電金屬部分之間應能耐受2kV, 50Hz的交流電壓歷時1min而無擊穿或閃絡現象。
11.繼電器的繞組數據如表1所示。

三、BCH-1差動繼電器的開孔尺寸


RXMA1中間繼電器用于電力系統二次回路及工業自動化控制回路中,作為中間輔助,擴大控制回路之用。
一、RXMA1中間繼電器的開孔尺寸

二、RXMA1中間繼電器的參數
1動作電壓: DC.<70%額定電壓 。
2返回電壓: DC.>5%額定電壓 。
3動作時間:動合觸點,40ms,動斷觸點,30ms。
4線圈功耗:<2W
5觸點長期允許通過5A電流
當通過電流的時間<200ms,允許通過90A電流;
當通過電流的時間為1s時,允許通過50A電流。
6觸點斷開能力: AC250V時為5A(功率因數>0.4)為250VA。
DC250V時為2A(L/R=40ms)為45W。

7絕緣耐壓: 50Hz, lmin, 2kV。
8沖擊電壓: 5kV。
9能承受5-15Hz中等震級的地震波沖擊。
10額定電壓及線圈阻值。

三、RXMA1中間繼電器的觸點形式


公司介紹:上海上繼科技有限公司是一家專業從事電力系統繼電保護及智能電網電力自動化產品的研發、設計、生產、銷售和服務為一體的高科技公司。擁有資深繼電保護專家團隊和國內**的檢測儀器及校驗設備。同時還引用國內外先進技術,來進行技術創新。本公司的產品廣泛用于電力、工礦、鐵路、建筑等國家重大工程輸配變電系統上,產品遠銷東南亞及中東地區。產品通過國家繼電保護及自動化設備質量監督檢驗中心檢測,獲得ISO-9001:2000國際質量體系認證。“科技創新,誠信務實”是公司的經營理念,本公司以高超的技術支持和對用戶高度負責的售后服務贏得了輸配電成套企業的信賴,且樹立了良好的信譽。
上海上繼科技有限公司(專注電力保護繼電器生產廠家)銷售熱線:021-57233089 QQ:1932551438
{以上內容僅供參考,上海上繼科技有限公司有最終解釋權}
更多繼電器精彩文章——LL-12A過流繼電器參數及開孔尺寸





