JC-17/1沖擊繼電器-上海上繼科技有限公司
發表時間:2019-11-25 13:49 瀏覽次數:1434 〖返回〗
一、JC-17/1沖擊繼電器工作原理

該產品完全排除了傳統的電流微分原理而采用電流幅值在報警整個周期內智能比較的方法,具有記憶特性,即記憶電流來到時刻以前的電流的幅值,比較報警電流來到時刻前后電流的幅值,如果有長信號與短信號重疊,在預告信號延時期內,只要長信號不返回,保證正確報警,長信號不會被短信號“抹掉”。產品內附有延時預告信號的延時時間元件,可省去外部的兩只時間繼電器,在音呼報警時,除手動復歸音響外,產品經定時回路自動解除音響。此外,產品對白熾燈字牌燈絲冷熱電阻的變化、電源紋波以及觸點抖動的影響均能有較強的抑制能力,保證產品正確動作。
二、JC-17/1沖擊繼電器應用范圍
JC-17/1沖擊繼電器(以下簡稱產品)用于電力系統直流操作的繼電保護及控制回路中,作為集中信號的主要元件。
三、JC-17/1沖擊繼電器接線圖


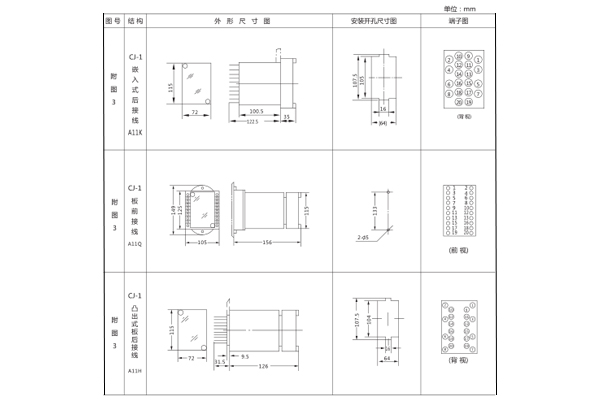
四、JC-17/1沖擊繼電器開孔尺寸

五、JC-17/1沖擊繼電器調試檢驗說明
1.檢査線路圖
檢査線路如下圖所示。
2.動作值檢査、手動復歸檢査
合S1、 S2 ,調R2使直流毫安表的讀數為產品輸入激勵量標稱值的80% ,接開S2 ,再合S2 ,產品應可靠動作。產品動作后合S4 ,產品應返回。反復測驗五次。
3.動作電流為一個長信號與短信號重量時檢査
合S1、 S2、 S3調R1、 R2使直流電流表的讀數、直流毫安表的讀數為產品輸入激勵量標稱值,拉開S2、 S3,再合S2,在預告延時時間內,合S3再拉開S3 ,產品應可靠動作。反復測驗五次。
4.**長期穩定電流檢査
合S1、 S2、 S3調R1使直流電流表的讀數為產品**長期穩定電流,調R2使直流毫安表的讀數為產品的輸入激勵量標稱值,拉開S2 ,再合S2 ,產品應能可靠動作。反復測試五次。
5.預告延時時間、報警定時時間檢査
合S1、 S2 ,調R2使直流毫安表的讀數為產品輸入激勵量標稱值,預告延時時間、報警定時時間分別整定**和最小調節范圍,拉開S2 ,再合S2 ,分別測試預告延時時間、報警定時時間,各測驗五次,以確定一致性誤差。一致性誤差應不大于10%。

公司介紹:上海上繼科技有限公司是一家專業從事電力系統繼電保護及智能電網電力自動化產品的研發、設計、生產、銷售和服務為一體的高科技公司。擁有資深繼電保護專家團隊和國內**的檢測儀器及校驗設備。同時還引用國內外先進技術,來進行技術創新。本公司的產品廣泛用于電力、工礦、鐵路、建筑等國家重大工程輸配變電系統上,產品遠銷東南亞及中東地區。產品通過國家繼電保護及自動化設備質量監督檢驗中心檢測,獲得ISO9001國際質量體系認證。“科技創新,誠信務實”是公司的經營理念,本公司以高超的技術支持和對用戶高度負責的售后服務贏得了輸配電成套企業的信賴,且樹立了良好的信譽。
上海上繼科技有限公司(專注電力保護繼電器生產廠家)銷售熱線:021-57233089 QQ:1932551438
{以上內容僅供參考,上海上繼科技有限公司有最終解釋權}
更多繼電器精彩文章——JZE-80中間繼電器生產廠家及技術參數
- 上一篇:JC-17/1繼電器
- 下一篇:JC-17/2繼電器





