JL-D/31電流繼電器使用方法及技術參數-上海上繼科技有限公司
發表時間:2019-12-14 22:34 瀏覽次數:1163 〖返回〗
一、JL-D/31定時限電流繼電器概念
JL-D/31定時限電流繼電器作為繼電保護元件,主要用于發電機、變壓器、輸變電線路中,作為電力系統交流回路過負荷或短路 的啟動元件,給出報警信號或切除故障。 本系列繼電器采用CMOS集成電路進行運算和比較,具有數碼整定精度高,整定范圍寬,整定方便,動作速度快,返回系數高,功耗低的特點。
二、JL-D/31定電流繼電器的使用方法
1. 繼電器系電磁式,瞬時動作,磁系統有兩個線圈,線圈出頭接在底座端子上,用戶可以根據需要串并聯,因而可使繼電器整定變化一倍。
2. 繼電器**的刻度值及額定值對于電流繼電器是線圈串聯的(以安培為單位)轉動刻度盤上的指針、以改變游絲的反作用力矩,從而可以改變繼電器的動作值。
3. 繼電器的動作:電流升至整定值或大于整定值時,繼電器就動作,動合觸點閉合,動斷觸點斷開。當電流降低到0.8倍整定值時,繼電器就返回,動合觸點斷開,動斷觸點閉合。
三、JL-D/31定時限電流繼電器的技術參數
1 整定范圍 根據整定范圍不同,級差分別為0.01A和0.1A。
2 瞬動倍率 1~12倍可調。
3 返回系數 0.9~0.97
4 整定誤差 電流及瞬動倍率不大于3%,時間誤差不大于5%(動作后下一次必須間隔10S以上在測)。
5 功耗 功耗小于5W。
6 觸點容量 在電壓不大于250V時,信號觸點容量為24VDC 2A。
7 觸點壽命 電壽命:10 次, 機械壽命:10 次。
8 絕緣電阻 繼電器各導電端子連在一起,對外露非帶電金屬部分或外殼之間,用開路電壓為500V的兆歐表測量其絕緣電阻不小 于300MΩ。
9 介質強度 繼電器各帶電端子連在一起,對外露飛帶電端子或外殼之間能承受有效值為2000V,50Hz的交流電壓,歷時1分鐘而不擊穿,不出現閃絡現象。
10 抗干擾性能 繼電器的抗干擾負荷DL478-92《靜態繼電保護及安全自動裝置通用技術條件》
四、JL-D/31定時限電流繼電器內部接線及外引接線圖(正視圖)

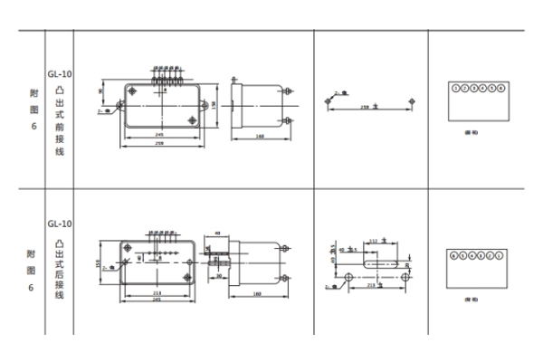
五、JL-D/31定時限電流繼電器外形尺寸及開孔尺寸

公司介紹:上海上繼科技有限公司是一家專業從事電力系統繼電保護及智能電網電力自動化產品的研發、設計、生產、銷售和服務為一體的高科技公司。擁有資深繼電保護專家團隊和國內**的檢測儀器及校驗設備。同時還引用國內外先進技術,來進行技術創新。本公司的產品廣泛用于電力、工礦、鐵路、建筑等國家重大工程輸配變電系統上,產品遠銷東南亞及中東地區。產品通過國家繼電保護及自動化設備質量監督檢驗中心檢測,獲得ISO9001國際質量體系認證。“科技創新,誠信務實”是公司的經營理念,本公司以高超的技術支持和對用戶高度負責的售后服務贏得了輸配電成套企業的信賴,且樹立了良好的信譽。
公司主營:繼電器(時間繼電器,電壓繼電器、電流繼電器,中間繼電器,信號繼電器,閃光繼電器,沖擊繼電器,同步檢查繼電器,接地繼電器,差動繼電器,重合閘繼電器,絕緣監視繼電器,雙位置繼電器,模數化繼電器),微機保護裝置,電力儀表,智能操控裝置
上海上繼科技有限公司(專注電力保護繼電器生產廠家)銷售熱線:021-57233089 QQ:1932551438
{以上內容僅供參考,上海上繼科技有限公司有最終解釋權}
更多繼電器精彩文章——JL-C/32電流繼電器技術要求及生產廠家





