SS-94/1時間繼電器主要用途及工作原理-上海上繼科技有限公司
發表時間:2020-01-27 20:46 瀏覽次數:1111 〖返回〗一、SS-94/1時間繼電器用途
SS-94/1時間繼電器用于電力系統二次回路的繼電保護電路及自動控制中,作為延時控制元件之用。適用于時間測量精度要求高,配合時間級差小的場合。

二、SS-94/1時間繼電器工作原理和內部接線
1.工作原理
本繼電器為靜態型數字式時間繼電器,采用進口CMOS集成電路構成,利用分頻、計數原理實現延時。 能離中脈沖由石英晶體振蕩器產生。施加額定電壓后 ,內部瞬動繼電器動作并出口,同時使晶體起振,產生時鐘脈沖 ,經分頻后由計數器計數,當所計脈沖數達到延時整定時, 觸發器翻轉,驅動執行繼電器動作出口。繼電器原理框圖見圖1

2.繼電器接線圖及外引接線圖(背視)

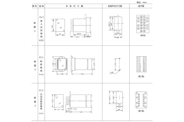
三、SS-94/1時間繼電器安裝尺寸

公司介紹:上海上繼科技有限公司是一家專業從事電力系統繼電保護及智能電網電力自動化產品的研發、設計、生產、銷售和服務為一體的高科技公司。擁有資深繼電保護專家團隊和國內**的檢測儀器及校驗設備。同時還引用國內外先進技術,來進行技術創新。本公司的產品廣泛用于電力、工礦、鐵路、建筑等國家重大工程輸配變電系統上,產品遠銷東南亞及中東地區。產品通過國家繼電保護及自動化設備質量監督檢驗中心檢測,獲得ISO9001國際質量體系認證。“科技創新,誠信務實”是公司的經營理念,本公司以高超的技術支持和對用戶高度負責的售后服務贏得了輸配電成套企業的信賴,且樹立了良好的信譽。
公司主營:繼電器(時間繼電器,電壓繼電器,電流繼電器,中間繼電器,信號繼電器,閃光繼電器,沖擊繼電器,同步檢查繼電器,接地繼電器,差動繼電器,重合閘繼電器,絕緣監視繼電器,雙位置繼電器,模數化繼電器),微機保護裝置,電力儀表,智能操控裝置
上海上繼科技有限公司(專注電力保護繼電器生產廠家)銷售熱線:021-57233089 QQ:1932551438
{以上內容僅供參考,上海上繼科技有限公司有最終解釋權}
更多繼電器精彩文章——DZS-425導軌式中間繼電器應用范圍及技術要求





