ZSX-3水位信號繼電器-上海上繼科技有限公司
發表時間:2020-04-15 12:18 瀏覽次數:1360 〖返回〗
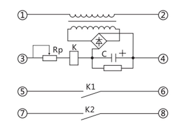
一、ZSX-3水位信號繼電器工作原理
繼電器由變壓器、整流橋、小型密封電磁繼電器、電容器、電位器等組成。原理接線圖見圖1。
繼電器端子①、②接交流220V、50Hz電源,當水位上升到使③、④(接水位電極)形成通路時電磁繼電器K動作,動合觸點閉合,繼電器發出信號。

二、ZSX-3水位信號繼電器用途
ZSX-3水位信號繼電器用于水輪合發電機組自動化系統中,作為反應水位變化的信號元件。
三、ZSX-3水位信號繼電器技術條件
1、額定電壓:繼電器的額定電壓為交流220V、50Hz。
2、動作值:繼電器的動作電壓不超過85%額定電壓。
3、動作時間:在額定電壓下,繼電器動作時間不大于50ms。
4、功率消耗:在額定電壓下,功率消耗不大于3VA。
5、線圈溫升:當周圍環境為40°C時,繼電器線圈應能長期承受1.1倍額定電壓,其溫升不超過60°C。
6、觸點斷開容量:在直流有感(τ=5ms)回路,U≤250V,I≤0.4A為30W。
7、介質強度:繼電器所有電路對外殼之間及非帶電金屬部分應能耐受2?(有效值),50Hz的交流試驗電壓,歷時1min,而無絕緣擊穿或閃絡現象。
8、壽命:機械壽命為104次;電壽命為103次。
公司介紹:上海上繼科技有限公司是一家專業從事電力系統繼電保護及智能電網電力自動化產品的研發、設計、生產、銷售和服務為一體的高科技公司。擁有資深繼電保護專家團隊和國內**的檢測儀器及校驗設備。同時還引用國內外先進技術,來進行技術創新。本公司的產品廣泛用于電力、工礦、鐵路、建筑等國家重大工程輸配變電系統上,產品遠銷東南亞及中東地區。產品通過國家繼電保護及自動化設備質量監督檢驗中心檢測,獲得ISO9001國際質量體系認證。“科技創新,誠信務實”是公司的經營理念,本公司以高超的技術支持和對用戶高度負責的售后服務贏得了輸配電成套企業的信賴,且樹立了良好的信譽。
公司主營:繼電器(時間繼電器,電壓繼電器,電流繼電器,中間繼電器,信號繼電器,閃光繼電器,沖擊繼電器,同步檢查繼電器,接地繼電器,差動繼電器,重合閘繼電器,絕緣監視繼電器,雙位置繼電器,模數化繼電器),智能操控裝置,微機保護裝置,電力儀表
上海上繼科技有限公司(專注電力保護繼電器生產廠家)銷售熱線:021-57233089 QQ:1932551438
{以上內容僅供參考,上海上繼科技有限公司有最終解釋權}
更多繼電器精彩文章——BG-11B功率繼電器開孔尺寸及說明書
- 上一篇:SSJ8-11E高精度時間繼電器
- 下一篇:SSJ8-12A高精度時間繼電器





