SSJ-12B時間繼電器開孔及技術要求-上海上繼科技有限公司
發表時間:2019-04-02 12:44 瀏覽次數:1133 〖返回〗一、概述
SSJ系列靜態時間繼電器(以下簡稱繼電器)用于電力系統二次回路繼電器保護及自動控制回路中,作為延時裝置,使被控元件得到所需延時。本繼電器為集成電路靜態型繼電器,精度高、功耗小、動作時間準確、整定直觀方便、范圍寬,工作電源采用開關電源變換,交直流通用,完全可替代電磁型時間繼電器。

二、技術要求
1、額定值及規格見上表。
2、延時準確度
a、延時整定值的平均誤差:在基準條件下,繼電器延時整定值平均誤差值不大于整定值的0.1%+3ms;
平均誤差=(5次測量平均值-整定值)/整定值×100%。
b、延時一致性:在基準條件下,繼電器延時一致性不大于整定值的(3-10ms)。
c、在-10~50℃的溫度下,任一延時整定值的平均誤差(包含一致性)的值不大于整定值的0.1%+5ms。
3、工作電壓:動作電壓不大于額定電壓的70%時,繼電器應可靠工作。
4、繼電器的返回時間切斷電器電源,出口觸點返回至起始位置的時間,對于使用直流電源工作的品種,應不大于25ms。
5、繼電器的返回電壓降低繼電器電壓不小于額定電壓的10%時,繼電器觸點應可靠返回。
6、功率消耗DC48V,不大于2W;DC110V或AC100~127V,不大于4.5W(6.5VA);DC或AC220V,不大于8.1W(13VA)。
7、熱性能要求本系列繼電器可長期通電工作,當環境溫度為50℃時,可長期承受1.1倍額定電壓值。
8、電源工作特性:電源緩慢升降、突然通/斷電或通過抖動觸點供電,繼電器能夠正常工作,并且無零秒出口及瞬動出口現象。
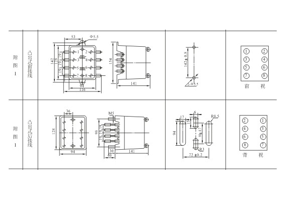
三、外形及開孔尺寸
SSJ-10采用HK-1殼體,
SSJ-20采用JK-1殼體,
SSJ-30采用CJ-1殼體



上海上繼科技有限公司(專注電力保護繼電器生產廠家)銷售熱線:021-57233089 QQ:1932551438
{以上內容僅供參考,上海上繼科技有限公司有最終解釋權}
更多繼電器精彩文章——常用的繼電器的功能有哪些?





