DX-15A/D型信號繼電器的開孔尺寸及接線圖-上海上繼科技有限公司
發表時間:2019-04-13 11:09 瀏覽次數:1236 〖返回〗一、用途:
DX-15A/D型信號繼電器用于電力系統二次電路的繼電保護線路中,作為直流回路動作指示信號用。
二、主要技術數據:
額定值:DC 220V、110V、48V、24V、12V、0.01A、0.015A、0.025A、0.05A、0.075A、0.1A、0.15A、0.25A、0.5A、0.75A、1A。
復歸電壓:DC 220V、110V、48V、24V、12V。
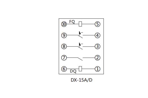
觸點形式:DX-15A、B/D 2付斷電保持動合觸點1付斷電復歸動合觸點;信號牌為電動復歸。DX-15A、B/S 2付斷電保持動合觸點2付斷電復歸動合觸點;信號牌為手動復歸。
動作值:電壓型繼電器不大于70%額定電壓;電流型繼電器不大于90%額定電流;復歸線圈的動作電壓不大于80%額定電壓。
返回值:不大于2%。
動作時間:動合觸點的閉合時間不大于20ms。
功率消耗:電壓型繼電器不大于3W;電流型繼電器不大于0.2W;復歸線圈不大于5W。
觸點容量:在電壓不超過250V,電流不超過5A,時間常數為5±0.75ms的直流有感負荷電路中,產品輸出觸點的斷開容量
為50W。輸出觸點在上述規定的負荷條件下,產品能可靠動作及返回5×104次。輸出觸點長期允許接通電流為5A。
介質強度:產品各導電端子連在一起,對外露的非帶電金屬部分或外殼之間,能承受2kV(有效值)、50Hz交流電壓歷時1分鐘試驗,而無絕緣擊穿或閃絡現象。
三、內部接線及外引接線圖:

四、外形及開孔尺寸
DX-15A采用JK-5殼體,
DX-15B采用JK-1殼體,


上海上繼科技有限公司(專注電力保護繼電器生產廠家)銷售熱線:021-57233089 QQ:1932551438
{以上內容僅供參考,上海上繼科技有限公司有最終解釋權}
更多繼電器精彩文章——JX-3型閃光繼電器





