JFY-1負序電壓繼電器的說明書與接線圖-上海上繼科技有限公司
發表時間:2020-05-09 17:09 瀏覽次數:1271 〖返回〗
JFY-1負序電壓繼電器概述:
JFY-1負序電壓繼電器為集成電路型繼電器,可用于發電機和變壓器的繼電器保護線路中,作為電壓閉鎖元件,它反映不對稱故障時線路電壓的負序分量。該繼電器采用撥碼開關來整定動作電壓,使動作值的整定更加精確、直觀,為用戶提供了極大方便。并可直接替代原用DY-4型負序電壓繼電器。
JFY-1負序電壓繼電器技術數據:
1.額定參數
2.額定輔助直流電壓:220、110、48V;
3.額定交流電壓:110V、50Hz。
4.動作值及準確度
繼電器的負序動作電壓為6 ~ 30V。
在任一整定點上,其動作值誤差不超過±3%,一致性不大于3%。
返回系數
繼電器的返回系數不小于0.9。
動作時間
當作用于繼電器上的電壓為1.2倍動作電壓時,繼電器的動作時間不大于0.1s。
當作用于繼電器上的電壓為3倍動作電壓時,繼電器的動作時間不大于0.03s。
可靠性:
在最小整定值下,繼電器施加1.1倍對稱的正序額定電壓繼電器不應誤動,可靠系數不小于2。4.3整定
a.整定采用三位撥碼盤,撥盤數字乘以0.1即為整定值,如:若要整定負序動作電壓為15V,則可將撥盤數字為150,150×0.1=15,即為整定值,同樣,若要整定負序動作電壓為6V,則可將撥盤數字整定為060,60×0.1=6,即為整定值。
b.整定范圍: JFY-1負序電壓繼電器的整定范圍為6~30V。

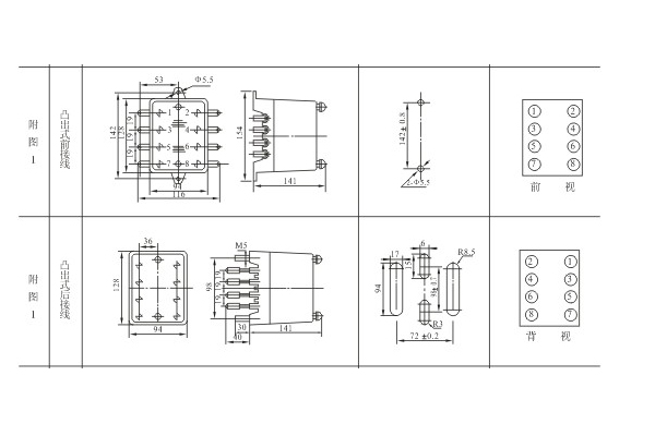
JFY-1負序電壓繼電器外形及開孔尺寸:

上海上繼科技有限公司(專注電力保護繼電器生產廠家)銷售熱線:021-57233089 QQ:1932551438
{以上內容僅供參考,上海上繼科技有限公司有最終解釋權}
更多繼電器精彩文章——DT-13/120同步檢查繼電器的說明書





