ZJJ-1B監視繼電器的技術要求及開孔尺寸-上海上繼科技有限公司
發表時間:2020-05-09 16:26 瀏覽次數:1353 〖返回〗
一、ZJJ-1B監視繼電器的用途
ZJJ-1B型直流絕緣監視繼電器 ,監視直流母線的絕緣情況,用于當母線對地絕緣降低到一定值時,可預發報警信號。
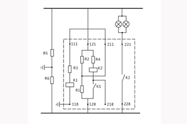
二、ZJJ-1B監視繼電器的原理
R1 ,R2( R1=R2 )絕為橋臂平衡電阻, R5 ,R6系直流母線對地絕緣電阻,靈敏元件K1跨接在地和平衡電阻之間。正常時,電橋平衡,靈敏元件繞組無電流通過。在一側絕線電阻下降時,便有一不平衡電流通過靈敏元件繞組,當不平衡電流達到一定值時動作,再由K1觸點接通K2繞組,隨即繼電器發出報警信號。

三、ZJJ-1B監視繼電器的技術要求
1、技術數據見表

2、如有特殊要求,繼電器可滿足以下數據
A、返回系數不小于0.8;
b、觸點斷開容量為DC250V/1A/100W;
c、觸點**接通電流為5A;
d、功率消耗不大于3W。
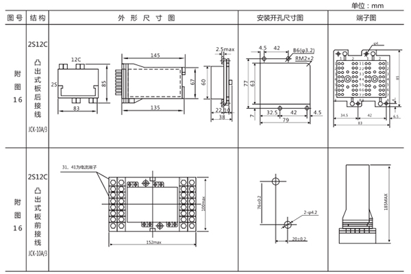
四、ZJJ-1B監視繼電器的開孔尺寸
ZJJ-1B采用JCK-10A/3殼體,如圖所示

本公司是一家專業從事電力系統繼電保護及智能電網電力自動化產品的研發、設計、生產、銷售和服務為一體的高科技公司。有著高超的售前技術支持和對用戶高度負責的售后完善服務。產品通過國家繼電保護及自動化設備質量監督檢驗中心檢測,獲得ISO-9001:2000國際質量體系認證。是值得社會及用戶信賴的公司。請大家多多支持!詳細聯系方式如下
上海上繼科技有限公司(專注電力保護繼電器生產廠家)銷售熱線:021-57233089 QQ:1932551438
{以上內容僅供參考,上海上繼科技有限公司有最終解釋權}
更多繼電器精彩文章——ZJJ-2C監視繼電器





