DLS-43/6-4雙位置繼電器的參數及開孔尺寸-上海上繼科技有限公司
發表時間:2019-06-29 16:20 瀏覽次數:954 〖返回〗
一、DLS-43/6-4雙位置繼電器的作用
DLS-43/6-4雙位置繼電器用于各種保護和自動控制裝置中 ,以實現閉鎖作用。DLS-43型用于交流回路,DLS-43的線圈不串觸點。
二、DLS-43/6-4雙位置繼電器的使用參數
1、額定電壓: DC220V、110V、48V;AC220V、110V。
2、額定電流:0.25A、 0.5A、lA、2A、4A、6A。
3、動作電壓:不大于額定電壓的70%。
4、動作電流:不大于額定電流。
5、功率消耗:直流不大于7W;交流不大于15VA。
三、DLS-43/6-4雙位置繼電器的介質強度
產品各導電電路連在一起對外露的非帶電金屬零件或外殼之間,以及線圈電路對觸點電路之間,應能承受2kV(有效值),50Hz的交流試驗電壓歷時1min的試驗 ,而無絕緣擊穿或閃絡現象。
四、DLS-43/6-4雙位置繼電器的觸點性能
產品觸點應能斷開電壓不超過250V,電流不超過1A,容量為50W的直流有感負荷電路(時間常數為5±75ms),或電壓不超過250V,電流不超過3A,容量為250VA的交流電路(功率因數為0.4±0.1)5000次。
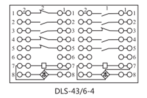
五、DLS-43/6-4雙位置繼電器的接線圖

六、DLS-43/6-4雙位置繼電器的開孔尺寸
DLS-40采用JCK-11A/3殼體,如圖所示

本公司是一家專業從事電力系統繼電保護及智能電網電力自動化產品的研發、設計、生產、銷售和服務為一體的高科技公司。有著高超的售前技術支持和對用戶高度負責的售后完善服務。產品通過國家繼電保護及自動化設備質量監督檢驗中心檢測,獲得ISO-9001:2000國際質量體系認證。是值得社會及用戶信賴的公司。請大家多多支持!詳細聯系方式如下
上海上繼科技有限公司(專注電力保護繼電器生產廠家)銷售熱線:021-57233089 QQ:1932551438
{以上內容僅供參考,上海上繼科技有限公司有最終解釋權}
更多繼電器精彩文章——JLS-84/203A雙位置繼電器的參數及開孔尺寸





