SS-94B/1-2時間繼電器結構特點及背后端子圖-上海上繼科技有限公司
發表時間:2019-07-09 14:44 瀏覽次數:736 〖返回〗
一、SS-94B/1-2時間繼電器
結構特點:
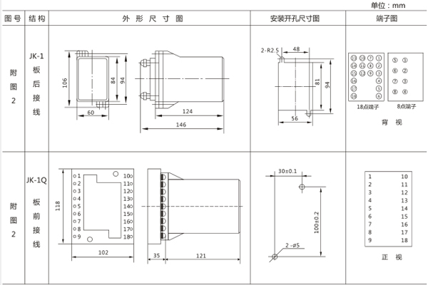
SS-94B/1-2時間繼電器采用A11K、 A11H、 A11Q、 JK-1、 JK-1Q殼體,外形尺寸、 安裝尺寸見本手冊附錄。可方便地改變整定值,拔出機芯,可方便地進行維修。整定值采用數碼撥盤整定,采用晶體振蕩器減小了誤差。增加了時間補償預置電路,對于極短的延時值具有極高的精度。
二、SS-94B/1-2時間繼電器
概述:
SS-94B/1-2時間繼電器用于電力系統二次回路的繼電保護及自動控制中,作為延時元件,使被控元件達到所需延時,以實現保護的選擇性配合, 保護電力系統安全可靠運行。
三、SS-94B/1-2時間繼電器
主要技術參數:

四、SS-94B/1-2時間繼電器
外形及開孔尺寸:

五、SS-94B/1-2時間繼電器
工作原理及接線圖:

上海上繼科技有限公司(專注時間繼電器生產廠家)銷售熱線:021-57233089 QQ:1932551438
(以上內容僅供參考,上海上繼科技有限公司有最終解釋權}
更多繼電器精彩文章→DD-11/40接地繼電器參數及接線圖





