ZJ3-1E/80中間繼電器參數及接線圖-上海上繼科技有限公司
發表時間:2020-05-22 14:27 瀏覽次數:1172 〖返回〗
一、ZJ3-1E/80中間繼電器的應用范圍
ZJ3-1E/80快速中間繼電器用于電力系統二次回路繼電保護和自動控制線路中,用來增加保護和控制回路的觸點數量和觸點容量。
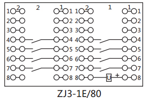
二、ZJ3-1E/80中間繼電器的接線圖

三、ZJ3-1E/80中間繼電器的參數
●額定工作電壓:220V、110V、48V、24V。
●額定工作電流:0.25A、0.5A、lA、2A、4A。
●額定保持電流:0.25A、0.5A、IA、2A、4A。
●接點形式:8動合;4動合4動斷;6動合2動斷。
●動作值:電壓型繼電器的動作電壓為50~70%的額定電壓值;電流型繼電器的動作電流不大于80%額定電流。
●保持值:電流保持時不大于80%額定保持值;電壓保持繞組的繼電器,保持電壓不大于70%額定保持值。
●返回值:不小于額定值的5%。
●動作時間:不大于7ms。
●功率消耗:不大于8W。
●觸點容量:在電壓不超過250V,電流不超過5A,時間常數為5±0.75ms的直流有感負荷電路中,產品輸出觸點的斷開容量為50W。輸出觸點在上述規定的負荷條件下,產品能可靠動作及返回5×104次。輸出觸點長期允許接通電流為5A。
●介質強度:產品各導電端子連在一起,對外露的非帶電金屬部分或外殼之間,能承受2000V(有效值)50Hz的交流電壓歷時1分鐘試驗而無絕緣擊穿或閃絡現象。
四、ZJ3-1E/80中間繼電器的結構
⒈線圈裝在"U"形導磁體上,導磁體上面有一個活動的銜鐵,導磁體兩側裝有兩排觸點彈片。在非動作狀態下觸點彈片將銜鐵向上托起,使銜鐵與導磁體之間保持一定間隙。當氣隙間的電磁力矩超過反作用力矩時,銜鐵被吸向導磁體,同時銜鐵壓動觸點彈片,使常閉觸點斷開常開觸點閉合,完成繼電器工作。當電磁力矩減小到一定值時,由于觸點彈片的反作用力矩,而使觸點與銜鐵返回到初始位置,準備下次工作。
⒉本繼電器的"U"形導磁體采用雙鐵心結構,即在兩個邊柱上均可裝設線圈。對于DZY、DZL和DZJ型只裝一個線圈,而對于DZB,DZS,DZK型可根據需要在另一個鐵心上裝以保持線圈或延時用阻尼片等。從而使線圈類型大不相同的繼電器都通用一個導磁體。
3.中間繼電器原理和交流接觸器一樣,都是由固定鐵芯、動鐵芯、彈簧、動觸點、靜觸點、線圈、接線端子和外殼組成。
五、ZJ3-1E/80中間繼電器的特點
⒈靜態中間繼電器采用線圈電壓較低的多個優質密封小型繼電器組合而成,防潮、防塵、不斷線,可靠性高,克服了電磁型中間繼電器導線過細易斷線的缺點。
⒉功耗小,溫升低,不需外附大功率電阻,可任意安裝及接線方便。
⒊繼電器觸點容量大,工作壽命長。
⒋繼電器動作后有發光管指示,便于現場觀察。
⒌延時只需用面板上的撥碼開關整定,延時精度高,延時范圍可在0.02-5.00S任意整定。
公司介紹:上海上繼科技有限公司是一家專業從事電力系統繼電保護及智能電網電力自動化產品的研發、設計、生產、銷售和服務為一體的高科技公司。擁有資深繼電保護專家團隊和國內**的檢測儀器及校驗設備。同時還引用國內外先進技術,來進行技術創新。本公司的產品廣泛用于電力、工礦、鐵路、建筑等國家重大工程輸配變電系統上,產品遠銷東南亞及中東地區。產品通過國家繼電保護及自動化設備質量監督檢驗中心檢測,獲得ISO-9001:2000國際質量體系認證。“科技創新,誠信務實”是公司的經營理念,本公司以高超的技術支持和對用戶高度負責的售后服務贏得了輸配電成套企業的信賴,且樹立了良好的信譽。
上海上繼科技有限公司(專注電力保護繼電器生產廠家)銷售熱線:021-57233089 QQ:1932551438
{以上內容僅供參考,上海上繼科技有限公司有最終解釋權}
更多繼電器精彩文章——ZJ4中間繼電器參數及開孔尺寸
- 上一篇:ZJ4中間繼電器參數及開孔尺寸
- 下一篇:ZJ3-1E/62電流繼電器參數及開孔尺寸





