DZ-3E/A4中間繼電器安裝尺寸及接線圖-上海上繼科技有限公司
發表時間:2019-08-27 13:17 瀏覽次數:804 〖返回〗
一、DZ-3E/A4中間繼電器的簡介
中間繼電器在繼電保護中和自動控制系統中是一個多用的自動遠動電器。中間繼電器因為有良好的電隔離.至使控制方和被控方無電器上的連接,而達到安全控制目的。
二、DZ-3E/A4中間繼電器的安裝尺寸

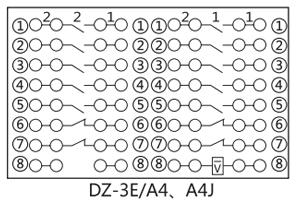
三、DZ-3E/A4中間繼電器的接線圖

四、DZ-3E/A4中間繼電器的結構
⒈線圈裝在"U"形導磁體上,導磁體上面有一個活動的銜鐵,導磁體兩側裝有兩排觸點彈片。在非動作狀態下觸點彈片將銜鐵向上托起,使銜鐵與導磁體之間保持一定間隙。當氣隙間的電磁力矩超過反作用力矩時,銜鐵被吸向導磁體,同時銜鐵壓動觸點彈片,使常閉觸點斷開常開觸點閉合,完成繼電器工作。當電磁力矩減小到一定值時,由于觸點彈片的反作用力矩,而使觸點與銜鐵返回到初始位置,準備下次工作。
⒉本繼電器的"U"形導磁體采用雙鐵心結構,即在兩個邊柱上均可裝設線圈。對于DZY、DZL和DZJ型只裝一個線圈,而對于DZB,DZS,DZK型可根據需要在另一個鐵心上裝以保持線圈或延時用阻尼片等。從而使線圈類型大不相同的繼電器都通用一個導磁體。
3.中間繼電器原理和交流接觸器一樣,都是由固定鐵芯、動鐵芯、彈簧、動觸點、靜觸點、線圈、接線端子和外殼組成。
五、DZ-3E/A4中間繼電器的特點
⒈靜態中間繼電器采用線圈電壓較低的多個優質密封小型繼電器組合而成,防潮、防塵、不斷線,可靠性高,克服了電磁型中間繼電器導線過細易斷線的缺點。
⒉功耗小,溫升低,不需外附大功率電阻,可任意安裝及接線方便。
⒊繼電器觸點容量大,工作壽命長。
⒋繼電器動作后有發光管指示,便于現場觀察。
⒌延時只需用面板上的撥碼開關整定,延時精度高,延時范圍可在0.02-5.00S任意整定。
公司介紹:上海上繼科技有限公司是一家專業從事電力系統繼電保護及智能電網電力自動化產品的研發、設計、生產、銷售和服務為一體的高科技公司。擁有資深繼電保護專家團隊和國內**的檢測儀器及校驗設備。同時還引用國內外先進技術,來進行技術創新。本公司的產品廣泛用于電力、工礦、鐵路、建筑等國家重大工程輸配變電系統上,產品遠銷東南亞及中東地區。產品通過國家繼電保護及自動化設備質量監督檢驗中心檢測,獲得ISO-9001:2000國際質量體系認證。“科技創新,誠信務實”是公司的經營理念,本公司以高超的技術支持和對用戶高度負責的售后服務贏得了輸配電成套企業的信賴,且樹立了良好的信譽。
上海上繼科技有限公司(專注電力保護繼電器生產廠家)銷售熱線:021-57233089 QQ:1932551438
{以上內容僅供參考,上海上繼科技有限公司有最終解釋權}
更多繼電器精彩文章——DZ-53中間繼電器接線圖及開孔尺寸





