DCD-2A差動繼電器工作條件及使用維護-上海上繼科技有限公司
發表時間:2019-09-01 09:17 瀏覽次數:1232 〖返回〗
一、DCD-2A型差動繼電器用途
DCD-2A差動繼電器用于兩繞組或三繞組電力變壓器以及交流發電機的單相差動保護線路中,作為主保護 。
DCD-2A差動繼電器能預防在非故障狀態所出現的暫態電流的作用。例如當電力變壓器空載合閘,或在穿越性短路切除后,電壓恢復時出現很大的勵磁涌流,其瞬時值常達額定電流的5-10倍;這時差動保護不應誤動作,但發生區內短路時,卻能迅速動作切除故障。
二、、DCD-2A型差動繼電器工作條件
1.環境溫度為-25°C~40°C。
2.大氣壓力: 80~106kPa(海拔不超過2000米)。
3.空氣相對溫度為45% ~75%。
4.工作位置基準值為垂直,允差任一方向偏2°。
5.應有保護風沙、雨、雪的設施,及無腐蝕性氣體,無爆炸性氣體的環境中。
6.無強烈的振動與沖擊。
7. 使用地點周圍任一方向不應有嚴重的外磁場影響 。
三、DCD-2A型差動繼電器使用與維護
1.工作繞組和平衡繞組的整定。
打開殼罩,即可進行工作繞組和平衡繞組的整定。工作繞組、平衡繞2組均有抽頭可以滿足多種整定值的要求。繼電器整定板下方的數字即表示相應的繞組匝數。每個繞組分成兩段,這種設計可以用較少的抽頭,獲得較多的匝數組合,從而使整定范圍廣泛而不失其精細。繼電器每塊整定板上有兩個整定螺釘,每個整定螺釘可在各自的一段范圍內整定。兩個螺釘整定位置下所標示的數字之和即為繞組的整定匝數,,須注意的是,當同一整定板上的兩個整定螺釘沒整定在各自的范圍內或者不接入時,繞組是斷開的。
2.助磁特性曲線的整定
助磁特性曲線整定時,需抽出繼電器機芯,然后松開助磁特性標志牌上的三個鎖緊瓷盤可變電阻器的大螺釘(不需要擰下來,只松動即可) ,使旋組能自由轉動。轉動旋組,即可進行助磁特性曲線的整定。
2.1按規定曲線整定
繼電器規定有A、 B、 C、 D四條曲線。該四條曲線在繼電器出廠前已按技術要求精心調試,故只需將旋鈕上的箭頭對準所需整定點即可。
2.2特殊要求整定
如需整定曲線在A、 D曲線之間范圍內,但不在A、 B、 C、 D四條曲線上時,可按下述方法進行整定:
1)由所需ε=f(K)曲線確定曲線在K=0.6時的ε值。
2)確定試驗時所需加入的直流電流值。
端子①、⑨間加入電流,工作繞組整定在20匝,平衡繞組整定在19匝,然后測出起始動作正弦電流值lcp。。由K=0.6及K=I/Icp。,計算出直流電流I=KIcp。=0.6Icp
3)確定磁盤可變電阻器的位置
由ε=Icp/Icp。計算出具有直流分量時交流動作電流Icp=εIcp。[ε值由第1)條確定; Icpo由第2)條測出]。工在繞組、平衡繞組分別整定在20匝及19匝,端子①、⑨間同時加入前面計算出的直流電流值I及交流動作電流Icp,調整可變電阻器,使繼電器的動作電流為Icp。
4)如需精確整定,可使可變電阻器旋組的指示位于前面整定的位置暫時不變,然后重復第2)條以后的各整定步驟,直至可變電阻器的整定位置不在變動為止。(因可變電阻器的阻值的變化,可使起始動作在一不大的范圍內發生變化)。
助磁特性曲線整定后,應把三個鎖緊螺釘均勻地緊固。
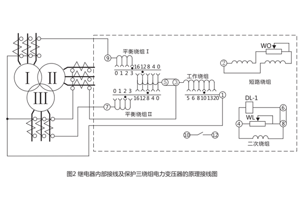
3.當繼電器用于保護三繞組電力變壓器時,應用兩個平衡繞組,并將它們分別接在環流回路的兩個臂上,這樣就能平衡三個環流回路里不平衡電流的效應,當用于保護兩繞組電力變壓器時,只需應用一個平衡繞組。在不平衡電流較大的情況下,平衡繞組接入環流回路,當不平衡電流較小,或用于保護交流發電機時,平衡繞組可以接人工作回路,以擴大整定值的范圍,平衡繞組的作用可以用兩個電流互感器二次電流的比值所決定的平衡系數來表示,實際的平衡系數應用繞組接入的匝數計算,技圖6的線路設I1、I2分別表示兩個電流互感器的二次電流,且I1,大于I2 ,平衡繞組通常安在電流臂上。當工作回路的合成磁化力為零時,不平衡電流的效應便被全部消除,因而得出下列方程式:

4.繼電器的起始動作安匝可借電位器W在不大的范圍內調整。調整時應先松開緊固螺帽,然后用一字型螺刀調節電位器旋柄即可。
5.在繼電器工作過程中,應注意不能改變能牌上指針的位。


公司介紹:上海上繼科技有限公司是一家專業從事電力系統繼電保護及智能電網電力自動化產品的研發、設計、生產、銷售和服務為一體的高科技公司。擁有資深繼電保護專家團隊和國內**的檢測儀器及校驗設備。同時還引用國內外先進技術,來進行技術創新。本公司的產品廣泛用于電力、工礦、鐵路、建筑等國家重大工程輸配變電系統上,產品遠銷東南亞及中東地區。產品通過國家繼電保護及自動化設備質量監督檢驗中心檢測,獲得ISO-9001:2000國際質量體系認證。“科技創新,誠信務實”是公司的經營理念,本公司以高超的技術支持和對用戶高度負責的售后服務贏得了輸配電成套企業的信賴,且樹立了良好的信譽。
上海上繼科技有限公司(專注電力保護繼電器生產廠家)銷售熱線:021-57233089 QQ:1932551438
{以上內容僅供參考,上海上繼科技有限公司有最終解釋權}
更多繼電器精彩文章——ZJS-G-43中間繼電器特點及開孔尺寸





