DLS-35A雙位置繼電器主要性能及技術要求-上海上繼科技有限公司
發表時間:2019-10-10 20:59 瀏覽次數:724 〖返回〗
一、DLS-35A雙位置繼電器工作原理
1.結構
產品由兩個相互聯接的電磁機構、互鎖滑塊機構、位置指示器及觸點系統組成。每個電磁機構由磁軛、線圈及銜鐵組成,互鎖滑塊機構由兩個滑塊及拉簧組成。
2.工作原理
電磁機構的原理同一般的拍合式繼電器,當其中一個電磁機構被激勵時,其電磁線圈產生電磁力矩,吸合銜鐵,銜鐵
帯動互鎖滑塊機構,當去掉激勵量時,由于互鎖機構的作用,使得銜鐵保持在一個位置上,同時,銜鐵帶動了觸點系統,使得觸點也保持在一個位置上。當另一個電磁機構被激勵時,使得銜鐵和觸點系統保持在另一個位置上。而兩個電磁機構不能同時施加激勵量。
當銜鐵動作時,帯動了位置指示器,指示出產品所處的位置。綠牌表示跳閘位置,紅牌表示合閘位置。
二、DLS-35A雙位置繼電器主要性能
DLS-35A型雙位置繼電器(以下筒稱產品)用于各種保護裝置中,以實現機械閉鎖,并有位置指示。
三、DLS-35A雙位置繼電器技術要求
1.觸點形式

2.額定值(激勵量均為直流)

a.電壓繞組的動作值不大于額定電壓值的70% ;3.動作值
b.電流繞組的動作值不大于額定電流值的90%。
4.功率消耗
當輸入激勵量為額定值時,產品中每個繞組的功率消耗不大于12W。
5.熱性能
當環境溫度為+40°C時,產品線圈應能承受110%額定值歷時2min,其溫升不超過65°C。
6.介質強度
產品各導電電路連在一起對外露的非帶電金屬零件或外殼之間,以及線圈電路對觸點電路之間,應能承受2kV(有效值) , 50Hz的交流試驗電壓歷時1min的試驗,而無絕緣擊穿或閃絡現象。
7.觸點性能
產品觸點應能斷開電壓不超過250V,電流不超過1A,容量為50W的直流有感負荷電路(時間常數為5±75ms) ,或電壓不超過
250V,電流不超過3A,容量為250VA的交流電路(功率因數為0.4±0.1 ) 5000次。
8.機械壽命
產品的機械壽命為10000次。
9.產品的動作速率應不大于60次/h,線圈每次通電時間不超過1s。
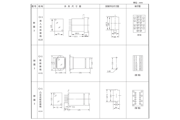
四、DLS-35A雙位置繼電器開孔尺寸

公司介紹:上海上繼科技有限公司是一家專業從事電力系統繼電保護及智能電網電力自動化產品的研發、設計、生產、銷售和服務為一體的高科技公司。擁有資深繼電保護專家團隊和國內**的檢測儀器及校驗設備。同時還引用國內外先進技術,來進行技術創新。本公司的產品廣泛用于電力、工礦、鐵路、建筑等國家重大工程輸配變電系統上,產品遠銷東南亞及中東地區。產品通過國家繼電保護及自動化設備質量監督檢驗中心檢測,獲得ISO9001國際質量體系認證。“科技創新,誠信務實”是公司的經營理念,本公司以高超的技術支持和對用戶高度負責的售后服務贏得了輸配電成套企業的信賴,且樹立了良好的信譽。
上海上繼科技有限公司(專注電力保護繼電器生產廠家)銷售熱線:021-57233089 QQ:1932551438
{以上內容僅供參考,上海上繼科技有限公司有最終解釋權}
更多繼電器精彩文章——JY-3/1電壓監視繼電器主要用途及技術條件





