JSW-34雙位置繼電器使用方法及說明書-上海上繼科技有限公司
發表時間:2019-10-19 16:04 瀏覽次數:645 〖返回〗
一、JSW-34雙位置繼電器概述
JSW-34靜態雙位置繼電器(以下簡稱繼電器) ,用于直流操作的保持控制回路中作為反應手動操作開關位置指示器.并實現閉鎖。
該繼電器為靜態型雙位置繼電器, 設計先進、結構合理 ,是我國目前理想的更新換代產品。該繼電器具有以下鮮明特點:
1、反應置位和復位快,不大于12ms。
2、置位和復位的激勵量可以為連續量或脈沖量(通電時間大于50ms)。
3、置位和復位的接入不影響接入處的電流回路。
4、觸點數量多。
5、LED信號燈指示繼電器狀態。
二、JSW-34雙位置繼電器技術參數
1、直流工作電壓額定值:DC220V、110V、48V。
2、動作電壓及復歸電壓:不大于70%額定電壓。
3、動作時間(返回時間)在額定工作狀態下,動作時間不大于12ms;返回時間不大于10ms。
4、功率消耗:在220VDC額定電壓下繼電器動作后的功率消耗不大于4W。
5、熱穩定性(過裁能力) 繼電器可長期承受110%的額定電壓。
6、工作壽命:產品工作壽命為104次。
7、觸點性能
繼電器觸點在電壓不大于250V.電流不大于2A的直流有感負荷(時間常數為5ms±0.75ms)電路中, 斷開容量為50W;在電壓不大于250V,電流不大于1A的交流電路中(功率因數為0.4±0.1),斷開容量為250VA。
8.絕緣電阻
繼電器各電路對外露的非帶電金屬部分及無電氣聯系的各回路之間的絕緣電阻應不小于100MΩ。
9.介質強度
繼電器各電路對外露的非金屬部分之間, 以及線圈電路對觸點電路之間,應能承受2kV(有效值)、50Hz的交流試驗電壓,歷時1min試驗 ,應無絕緣擊穿或內絡現象。
10、抗干流性能:繼電器的抗高頻干流應符合DL/T478-2001?靜態繼電保護及安全自動裝置通用技術條件?中的有關規定。
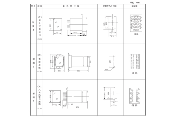
三、JSW-34雙位置繼電器接線圖

四、JSW-34雙位置繼電器開孔尺寸

公司介紹:上海上繼科技有限公司是一家專業從事電力系統繼電保護及智能電網電力自動化產品的研發、設計、生產、銷售和服務為一體的高科技公司。擁有資深繼電保護專家團隊和國內**的檢測儀器及校驗設備。同時還引用國內外先進技術,來進行技術創新。本公司的產品廣泛用于電力、工礦、鐵路、建筑等國家重大工程輸配變電系統上,產品遠銷東南亞及中東地區。產品通過國家繼電保護及自動化設備質量監督檢驗中心檢測,獲得ISO9001國際質量體系認證。“科技創新,誠信務實”是公司的經營理念,本公司以高超的技術支持和對用戶高度負責的售后服務贏得了輸配電成套企業的信賴,且樹立了良好的信譽。
上海上繼科技有限公司(專注電力保護繼電器生產廠家)銷售熱線:021-57233089 QQ:1932551438
{以上內容僅供參考,上海上繼科技有限公司有最終解釋權}
更多繼電器精彩文章——DY-22D電壓繼電器主要性能及產品價格





