信號、閃光繼電器系列
您現在的位置:首頁 >> 我們的產品 >> 繼電器 >> 信號、閃光繼電器系列
JX-4A閃光繼電器概述
JX-4A閃光繼電器用于信號回路。電源接通后,可以使受控的燈光發出閃光信號。
JX-4A閃光繼電器型號

JX-4A閃光繼電器主要技術參數
·額定電壓:直流220V、110V、48V、24V;交流220V, 50HZ. ·動作值:不大于60%額定電壓;最小動作電流8mA。
·閃光頻率: 1±0.1次/分鐘、60+5次/分鐘、120±10次/分鐘。
·負裁能力:**負裁電流2A。
·功率消耗:不大于1W。
·介質強度:帯電端子對外殼耐壓2000V。
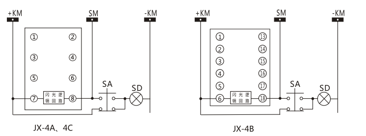
JX-4A閃光繼電器內部接線及外引接線圖

JX-4A閃光繼電器外形尺寸及開孔尺寸
JX-4A采用HK-1殼體, 見335頁附圖1。
JX-4B采用JK-1殼體, 見335員附圖2。
JX-4C采用CJ-1殼體, 見336員附圖3。




信號、閃光繼電器系列
打印當前頁
發郵件給我們: 1932551438@qq.com
手機: 18930817953




